+Advanced Search 中文版
A Stress Index-based Tendon Optimization Method for Prestressed Concrete Continuous Girder Bridges
Dong Xu1 , Tianhu Wang1 , Shengbin Wang2
1. Department of Bridge Engineering, Tongji University, Shanghai 200092 , China
2. Anhui Transport consulting & Design Institute Co., Ltd. Anhui 230088 , China
Abstract
Traditional tendon design methods for prestressed concrete (PC) continuous girder bridges are tedious since they obtain feasible solutions based on trial calculation, and the existing optimization methods that can obtain the optimal solution have deficiencies regarding structural stress. In this study, based on research on the refined bridge design conducted in the Department of Bridge Engineering at Tongji University in recent years, a stress index-based tendon optimization method for PC continuous girder bridges is proposed. First, various tendon layouts are summarized, and a reasonable tendon layout is selected. Then, a mathematical tendon optimization model is established. After meeting the specifications and construction feasibility requirements, a genetic algorithm is used to find the optimal solution. This method not only realizes tendon forward design but also obtains a satisfactory solution. Finally, this method is used to successfully optimize the tendons of a three-span PC continuous girder bridge, which verifies the rationality of the method.
1 . Introduction
Prestressed concrete (PC) was first applied by Jackson in 1886 [1]. PC is increasingly being applied in civil engineering, particularly in large buildings and bridge structures. In recent years, PC bridges of various systems have been developed rapidly, and PC continuous girder bridges have been in the peak period of development in China in recent years due to their small stress deformation, high driving smoothness, few expansion joints, easy maintenance, good seismic performance, and high overall structural rigidity.
In long-term practice, designers have accumulated rich experience in PC continuous girder bridge design. The general process of traditional design methods is as follows: When some information (such as the construction method, span arrangement, etc.) is known, the structural dimensions of a bridge are preliminarily determined based on experience and subjected to static analysis. Then, the area of the prestressing steel tendons is estimated, and they are arranged. Finally, the calculated results are verified at the full bridge level. During the design process, variable parameters, such as the structural dimensions and area of the prestressing steel tendons, are continuously adjusted until the specification requirements are met. This design method, which is essentially repeated trial calculation, not only is cumbersome, timeconsuming, and labor-intensive but also has an infinite number of schemes that meet the specification requirements, and the obtained trial calculation scheme may not be a satisfactory solution. Therefore, tendon design optimization methods for PC continuous girder bridges are of great research value.
Scholars in China and other countries have performed much research on structural and tendon optimization. In 1981, Zhang used a direct beam search method tooptimize simply supported T-or I-girders with the girder cross-section height and steel tendon tensile stress as variables, aiming to minimize the cost of PC [2]. In 1986, Zhang and Xu optimized reinforced-concrete, fully and partially PC simply supported girder slab bridges via a complex method with minimizing the total girder cost as the objective [3]. In 1993, Khaleel optimized the design of partially PC simply supported I-girders by using the sequential quadratic programming method to minimize the cost, with the geometric size, number of steel girders, and sheared steel bar spacing as variables [4]. In 2002, Barakat optimized a simply supported I-girder using the feasible direction method and a search algorithm to minimize the structural cost [5]. In 2007, Hernandez optimized prefabricated simply supported I-girders to minimize the prestress of steel girders considering the loss of prestress [6]. In 2012, Ahsan optimized a simply supported I-girder using the evolutionary operation (EVOP) method with the girder spacing, girder section size, number of steel tendons, and layout and number of steel bars as design variables to minimize the cost [7]. In 2014, Marti optimized the design of a prefabricated PC U-girder bridge using a simulated annealing algorithm (local search) and a hybrid glowworm swarm algorithm (global search) , with the lowest cost and lowest CO2 emission, respectively, as the objective functions [8].
Most studies on structural and tendon optimization have built optimization models based on mathematical optimization theory to transform the tendon optimization problem of PC girder bridges into a mathematical optimization problem, generally with minimizing economic indices (cost or material) as the goal. However, in terms of stress, the optimized structures may not be reasonable. Therefore, in this study, a tendon optimization method for PC continuous girder bridges is proposed. Under the conditions of selecting a reasonable girder layout and satisfying the specifications and construction feasibility requirements, this method aims to analyze the structural stress, assess the rationality of the structural stress based on the stress distribution in the constructed bridge, and solve the optimization problem by using a genetic algorithm (GA) . Finally, the method is validated by optimizing a PC continuous girder bridge with a main span of 70 m.
2 . Tendon layout of PC continuous girder bridges
In long-span PC continuous girder bridges, prestressing tendons are usually arranged in three directions, namely, longitudinal, transverse, and vertical. Since longspan PC continuous girder bridges have been widely used worldwide, great changes have been made in the layout of longitudinal girders.
2.1 . Downward-bending cantilever tendons + upward-bending bottom-slab tendons
This tendon layout moves the anchorage locations of the downward-bending tendons in the web downward as far as possible and bends the steel tendons in the bottom slab upward. This layout was popular in 1960s to 1970s. At that time, prestressing high-strength steel wires and the matching conical anchorage were predominately used, and the prestressing tendons were less. Figure1 shows this layout of the steel tendons.
In this layout, steel tendons of the web and the top slab anchorages are regularly. This standardized arrangement makes this layout suitable for prefabricated construction. However, this layout has a complex anchorage structure on the bridge deck, and its anchorage structure on the girder top slab has poor waterproof performance [9].
Figure1. Layout of downward-bending cantilever tendons + upward-bending bottomslab tendons
2.2 . Linear cantilever tendons + linear bottom-slab tendons
In the1980s, large-tonnage steel strand tendons became popular, the shape of steel tendons became simpler, and the number of steel tendons was reduced. To simplify the construction, straight steel tendons were used in both the cantilever and the bottom slab. Figure2 shows this layout of steel tendons.
This layout simplifies the design and construction of longitudinal prestress and reduces the friction loss due to the curvature of the steel tendons and the unevenness of the ducts, thereby improving the efficiency of the steel tendons. However, this layout is very dependent on vertical prestress, and the establishment of effective prestress requires high construction accuracy [9]. This layout used to be popular in China, but the wide presence of web cracking in bridges adopting this layout led the industry to regard this layout as one of the main causes of web cracking.
Figure2. Layout of linear cantilever tendons + vertical prestressing
2.3 . Downward-bending cantilever tendons + straight bottom-slab tendons
Beginning in the early 21st century, China resumed the use of downward-bending tendons in the web, that is, the use of downward-bending cantilever tendons. Figure3 shows this layout of steel tendons.
This tendon layout depends predominantly on longitudinal prestress and is supported by vertical prestress to resist the principal tensile stress of the web, which weakens the role of the “unreliable” vertical prestress.
Many researchers have discussed the evolution from straight tendons to downward-bending cantilever tendons. Pan compared the two types of tendon profiles (curved tendons and straight tendons) and concluded that utilizing downwardbending tendons is an effective way to resist the principal tensile stress and posited that not using downward-bending tendons is a main cause of bridge defects [10]. Zhang compared the effect of prestress loss on the main principal stress of box girder webs with different tendon layouts through numerical calculation. The results demonstrate that vertical prestress loss responds sensitively to the principal tensile stress of box girder webs with the layout of vertical + horizontal tendons. In engineering practice, after the vertical prestress loss reaches 50%, the distribution of the principal stress on box girder webs with the vertical + longitudinal tendon layout will be inferior to that with the downward-bending tendon layout [11].
Most studies have indicated that downward-bending tendons perform better than straight tendons in cantilever construction and are more suitable for engineering practice [10]-[13]. Therefore, this tendon layout is widely applied in current longspan PC continuous girder bridges and has become the mainstream layout.
Figure3. Layout of downward-bending cantilever tendons + straight bottom-slab tendons
2.4 . Dead-load zero bending moment method
The dead-load zero bending moment method was developed by Chinese engineers in the1990s to overcome the cracking and deflection problems of long-span PCgirder bridges. The basic principle of this method is to arrange the steel tendons to produce a balanced moment with the same magnitude as and opposite direction to the dead load to counteract the dead-load moment.
As the span increases, the proportion of the bending moment due to the dead load increases, and the prestress or the eccentric distance of the steel tendons has to be increased to achieve a zero-bending moment; however, either approach will increase the dead load. The dead-load zero bending moment method overcomes the cracking problem of PC box girder bridges but requires a flawless transverse design of the section. In addition, from the point of view of advanced technology, aesthetically appealing and lightweight, the shortcomings of this method are also obvious.
2.5 . Internal and external hybrid tendons
Internal and external hybrid tendons provide pre-shear through the external tendons, thereby reducing the shear stress and the principal tensile stress. The use of external prestress is not limited by the thickness of the web and provides greater freedom in selecting the external layout and prestress magnitude to obtain the optimal pre-shear.
To investigate the tendon optimization of PC girder bridges, the first step is to select a reasonable tendon layout. The layout of downward-bending cantilever tendons + straight bottom-slab tendons not only have no obvious defects but also has a wide range of applications. Therefore, this tendon layout is selected for the tendon optimization method proposed in this study.
3 . Stress index system for box girders
The stress index system for box girder sections shown in Figure4 is a core concept in the refined spatial analysis specified in the “Specifications for the Design of Highway Reinforced Concrete and Prestressed Concrete Bridges and Culverts” (JTG 3362-2018) [14]-[16]. The stress index system can be used as a reference to address the cracking problem of concrete box girder bridges. In addition, making the stress indices uniform can be a goal of setting tendons for PC continuous girder bridges to obtain more reasonable structural stress. The tendon optimization method proposed in this study adopts some of the longitudinal indices in Figure4, such as 𝜎 𝑇 𝑜 𝐿 , 𝜎 𝐵 𝑜 𝐿 and 𝜎 𝑊 𝑃 .
Figure4. Stress index system for box girders
4 . Tendon optimization method for PC continuous girder bridges
The tendon optimization problem of PC continuous girder bridges can generally be transformed into a mathematical optimization problem and solved by an optimization algorithm. The transformed mathematical optimization model contains design variables, constraints, and objective functions. That is, a set of design variables𝑋 (𝑥 1, 𝑥 2, …, 𝑥 𝑛 ) must be identified. Under the constraints of satisfying a series of equations (3) and inequalities (2) , the objective function (1) is minimized.
F=f1x1,x2,,xn
(1)
gjx1,x2,,xn0
(2)
hjx1,x2,,xn=0
(3)
4.1 . Design variables
Based on the layout of downward-bending cantilever tendons + straight bottomslab tendons, the elevation arrangement of prestressing steel tendons is determined according to a tendon layout principle. According to the characteristics of this tendon layout, all steel tendons are classified into four categories: top-slab and web tendons in the cantilever construction stage and top-and bottom-slab tendons in the closure stage. The types (n) of all steel tendons are determined, the number of tendons of each type 𝑋 (𝑥 1, 𝑥 2, …, 𝑥 𝑛 ) is used as a design variable, and other parameters in the optimization (such as the dead load and live load) are considered constants and determined before optimization.
4.2 . Objective function
Based on the “Specifications for the Design of Highway Reinforced Concrete and Prestressed Concrete Bridges and Culverts” (JTG 3362-2018) [17], the rationality of the structural stress is assessed based on the uniformity of the structural stress distribution in the constructed bridge, considering that the structure is affected by the dead load, vehicle load, shrinkage and creep, temperature, and uneven settlement of supports. The whole bridge is divided into several units, m representative sections are selected, and making the variance of the most unfavorable compressive stress on the upper and lower edges of the beam sections of the constructed bridge under the standard combination of actions as small as possible is the objective function, as expressed in Formula (4) .
F=14m-1i=1m σELiT-σ-2+σERiT-σ-2+σELiB-σ-2+σERiB-σ-2
(4)
σ-=14mi=1m σELiT+σERiT+σELiB+σERiB
(5)
where σ- is the mean value of the most unfavorable compressive stresses at the upper and lower edges of the representative sections under the standard combination of actions, which is determined by Formula (5) . σELiT, σERiT, σELiB, and σERiB are the most unfavorable compressive stresses on the left upper edge, right upper edge, left lower edge and right lower edge, respectively, of the 𝑖 -th representative section under the standard combination of actions.
4.3 . Constraints
The main constraints considered in this study include stress constraints and geometric dimension constraints. According to the specification requirements, the stress constraints include the normal stress constraints in the construction process, the normal stress constraints in the completed state, and the principal stress constraints in the completed state, while the geometric dimension constraints refer to the size section requirements that the prestressing steel tendons at different sections of the bridge must satisfy (that is, steel tendons at each section must be arranged within the size range of the section) , as specified in the “Specifications for the Design of Highway Reinforced Concrete and Prestressed Concrete Bridges and Culverts” (JTG 3362-2018) .
4.3.1 . Normal stress constraints during construction
In constructing a PC continuous girder bridge using the cantilever construction method, there are several construction stages, and the structural stress of each construction stage must meet the specification requirements. Considering the 𝑖 -th construction stage as an example, the normal stresses on the upper and lower edges of each representative section shall not exceed the specification limits.
EctiσgiL,RT,BEcci
(6)
where {𝐸 𝑐 𝑡 }𝑖 and {𝐸 𝑐 𝑐 }𝑖 are the allowable tensile and compressive stress vectors, respectively, of each representative section in the 𝑖 -th construction stage (in this study, the compressive stress is positive, and the tensile stress is negative) and σgiL, RT, Bis a vector composed of the normal stresses of the upper / lower edges and left / right sides of each representative section of the structure in the 𝑖 -th construction stage corresponding to the loads at this stage (including four positions, which are briefly expressed here) .
4.3.2 . Normal stress constraints in the completed state
The normal stress constraints in the completed state are as follows: The most unfavorable tensile stresses of the upper and lower edges of the representative sections under the frequent combination of various loads and the most unfavorable compressive stresses of the upper and lower edges of the representative sections under the standard combination of various loads shall not exceed the specification limits, as expressed in Formulas (7) - (8) . For Class A PC members, it is also necessary for the most unfavorable tensile stresses of the upper and lower edges of the representative sections under the quasipermanent combination of various loads to not exceed the specification limits, as expressed by Formula (9) .
σFL,RT,Bmin =σF0L,RT,Bmin +γσPL,RT,BEpt1
(7)
σEL,RT,Bmax=σE0L,RT,Bmax+σPL,RT,BEpc
(8)
σQL,RT,Bmin=σQ0L,RT,Bmin+σPL,RT,BEpt2
(9)
where σFL, RT, Bmin , σEL, RT, Bmax, and σQL, RT, Bmin are the most unfavorable positive (tensile / compressive) stress vectors on the upper / lower edges and left / right sides of each representative section of the bridge structure under the frequent combination, standard combination, and quasipermanent combination, respectively, of various loads (including prestress) ; σF0L, RT, Bmin , σE0L, RT, Bmax, and σQ0L, RT, Bmin are the most unfavorable positive (tensile / compressive) stress vectors on the upper / lower edges and left / right sides of each representative section under the frequent combination, standard combination, and quasipermanent combination, respectively, of various loads (excluding prestress) ; σPL, RT, B represents the normal stress vector generated by the effective prestress on the upper / lower edges and left / right sides of each representative section; γ is the normal stress reduction factor of the prestress effect, determined by the member type; and {𝐸 𝑝 𝑡 1 }, {𝐸 𝑝 𝑐 }, and {𝐸 𝑝 𝑡 2 } are the normal stress vectors at each representative section allowed by the specifications.
4.3.3 . Principal stress constraints in the completed state
The principal stress constraints in the completed state are as follows: the most unfavorable principal tensile stresses at the calculation points of the principal stresses of the representative sections under the frequent combination of various loads and the most unfavorable principal compressive stresses at the calculation points of the principal stresses of the representative sections under the standard combination of various loads shall not exceed the specification limits, as expressed by Formulas (10) - (11) .
σtpiL,Rkj=σFiL,Rkj+σiYL,R2-σFiL,Rkj-σiYL,R22+τFiL,Rkj2Eiptp
(10)
σcpiL,Rkj=σEiL,Rkj+σiYL,R2+σEiL,Rkj-σiYL,R22+τEiL,Rkj2Eipcp
(11)
where 𝑘 represents the position of the 𝑘 -th principal stress calculation point; 𝑗 represents the 𝑗 -th frequent combination or standard combination; 𝑖 represents the 𝑖 -th representative section; σtpiL, Rkj and σcpiL, Rkj are the principal tensile and principal compressive stresses, respectively, at the 𝑘 -th principal stress calculation point on the left / right side of the 𝑖 -th representative section under the 𝑗 -th frequent combination or standard combination; σFiL, Rkj and τFiL, Rkj represent the normal stress and shear stress, respectively, at the 𝑘 -th principal stress calculation point on the left / right side of the 𝑖 -th representative section of the bridge structure under the 𝑗 -th frequent combination; σEiL, Rkj and τEiL, Rkj represent the normal stress and shear stress, respectively, at the 𝑘 -th principal stress calculation point on the left / right side of the 𝑖 -th representative section of the bridge structure under the 𝑗 -th standard combination; {𝜎 𝑖 𝑌 𝐿 , 𝑅 } represents the vertical normal stress on the left / right side of the 𝑖 -th representative section; and {𝐸 𝑖 𝑝 𝑡 𝑝 } and {𝐸 𝑖 𝑝 𝑐 𝑝 } are the allowable principal tensile and principal compressive stresses, respectively, of the 𝑖 -th section.
4.3.4 . Geometric dimension constraints
In the tendon optimization of PC continuous girders, in addition to the stress requirements in the specifications, geometric dimension constraints should also be considered. If the optimized steel tendons cannot be reasonably arranged within the existing section size, then even if the constructed bridge has good structural stress, the solution is meaningless and not feasible or reasonable. The geometric dimension constraints of the 𝑖 -th section are expressed by inequality (12) .
Cix1,x2,xn0,i=1,2,,m
(12)
4.4 . Solution method
The optimization problem considered in this study is solved by using a GA. The GA originated from computer simulation research on biological systems. This random global search and optimization method was developed by imitating the biological evolution mechanism in nature. The GA draws on Darwin’s theory of evolution and Mendel’s theory of genetics. It uses an efficient, parallel, and global search method that operates directly on the object structure without requiring the associated functions or their derivatives to be continuous. The algorithm can automatically acquire and accumulate knowledge about the search space during the search process and adaptatively control the search process to obtain the optimal solution [18]. The main steps of the algorithm include individual coding, initial population generation, fitness calculation, selection, crossover, and mutation. The applications of this algorithm are relatively mature and will not be elaborated in this paper.
5 . An example of stress index system-based tendon optimization of a PC continuous girder bridge
The tendon optimization method proposed in this study is used to optimize the prestressing steel tendon configuration of a three-span (45 m + 70 m + 45 m) continuous variable-section box girder bridge.
5.1 . Bridge overview
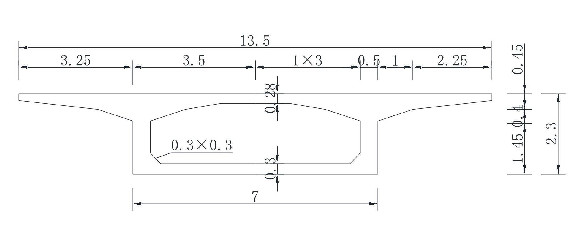
The bridge has a single-box single-chamber section. The top and bottom slabs of the box girder are13.5 m and 7 m wide, respectively. The girder is 2.3 m high at the midspan and 5 m high at the fulcrum, and the girder height follows a1.8th-orderparabolic distribution. The top slab is 28 cm thick. The web is divided into three segments from the mid-fulcrum to the midspan, with thickness changing from 70 to 60 to 50 cm. The dimensions of the sections at the midspan and fulcrum are specified in detail in Figures 5 and 6, respectively. The bridge is constructed by cantilever casting. In the longest cantilever state, there are nine construction segments on one side of the cantilever. The closing sequence is the side span first and then the middle span. The bridge segmentation layout is shown in Figure7. The bridge is constructed with C50 concrete and prestressing steel tendons assembled from steel strands with a nominal diameter of 15.2 mm and a standard tensile strength of 1860 MPa. The loads include a dead load, a vehicle load, shrinkage and creep, the temperature effect, and uneven settlement of supports, among others. Various design parameters are shown in Table1.
Figure5. Dimensions of the midspan section (Unit: m)
Figure6. Dimensions of the fulcrum section (Unit: m)
Figure7. Segmentation layout (Unit: m)
Table1. Partial list of the design parameters
5.2 . Optimization solution
The layout of downward-bending cantilever tendons + straight bottom-slab tendons is used to construct the bridge, and the prestressing steel tendons are arranged on the elevation according to a certain tendon layout principle. The elevation layout of the steel tendons is shown in Figure8. Specifically, in the cantilever construction stage, there are2 × 10 types of top-slab tendons (structural symmetry) and 2 × 9 types of downward-bending web tendons with a curvature angle of approximately 20° and a curvature radius of approximately 12 m; in the closure stage, there are nine types of top-slab tendons (2 × 4 types at the side span and one type at the midspan) and 16 types of bottom-slab tendons (2 × 5 types at the side span and six types at the midspan) , totaling63 types of steel tendons for the whole bridge. Based on the characteristics of the construction segment, 50 representative sections are selected.
Finite element analysis software is used to construct a mathematical model of the tendon optimization problem based on Sections 3.1-3.3 of this paper, and the design variables, constraints, and objective functions of the bridge are calculated and sorted. The model has 63 design variables, 4800 nonlinear inequality constraints, 9461 linear inequality constraints, and 28 linear equality constraints. Finally, the optimization is performed based on the GA, and a population size of 200 is selected.
Figure8. Elevation view of the prestressing steel tendon arrangement (Unit: m)
5.3 . Result verification
Through the steel tendon arrangement, representative section selection, structural analysis, optimization model establishment, and data sorting, the objective function value of the tendon layout obtained by optimizing the solution with the GA is 6.86; that is, the minimum variance in the most unfavorable compressive stress at the upper and lower edges of the representative sections of the structure under the existing constraints and the standard combination is 6.86. The numbers of steel tendons in this optimization scheme are specified in Table2.
Table2. Optimal numbers of steel tendons
The structure obtained using the tendon optimization scheme is evaluated by the structural analysis software to determine whether it satisfies the constraints. As shown in Figures 9 to Figure13, each stress condition does not exceed the specification limit and meets the constraints. Figure10 shows the stress distributions on the upper and lower edges of the structure corresponding to this group of solutions under the condition that the objective function is minimized, and the variance is consistent with the theoretical value, which verifies the feasibility of the tendon optimization method developed in this study.
Figure9. Compressive stress envelopes during the construction stage (Unit: MPa)
Figure10. Envelopes of the most unfavorable compressive stress under the standard combination (Unit: MPa)
Figure11. Envelopes of the most unfavorable principal compressive stress under the standard combination (Unit: MPa)
Figure12. Envelopes of the most unfavorable tensile stress under the frequent combination (Unit: MPa)
Figure13. Envelopes of the most unfavorable principal tensile stress under the frequent combination (Unit: MPa)
6 . Conclusions
In view of the shortcomings of the traditional tendon design methods for PC continuous girder bridges and previous tendon optimization research, this study proposes a tendon optimization method based on the structural stress distribution and the stress index system of box girder bridges and verifies the method with an example. This study is summarized as follows:
(1) . The tendon layouts and characteristics of PC continuous girder bridges are summarized. After comparison, the layout of downward-bending cantilever tendons + straight bottom-slab tendons are used as the reasonable tendon layout, which is the basis of the tendon optimization method.
(2) . The tendon optimization method proposed in this study transforms the tendon optimization problem into a single-objective mathematical optimization problem, constructs a mathematical optimization model, defines design variables, constraints and objective functions based on the specifications and geometric structures, and solves the objective function using the GA.
(3) . The feasibility and rationality of the optimization method are verified using an example of a three-span continuous box girder bridge with a main span of 70 m.
Aydin, Z.;Ayvaz, Y. Optimum Topology and Shape Design of Prestressed Concrete Bridge Girders Using a Genetic Algorithm. Struct Multidiscip O 2010,41,151-162,doi:10.1007/s00158-009-0404-2.
Zhang, J. Optimal Design of Prestressed Concrete Beams. Journal of Hohai University(Natural Sciences)1982,52-67.
Xu, W.;Zhang, S. Optimal Design of Prestressed Concrete Simply Supported Hollow Slab and T-Beam. Highway Engineering 1986,61-66.
Khaleel, M. A.;Itani, R. Y. Optimization of Partially Prestressed Concrete Girders Under Multiple Strength and Serviceability Criteria. Comput Struct 1993,49,427-438,doi: Doi 10.1016/0045-7949(93)90044-E.
Barakat, S.;Harthy, A. S. A.;Thamer, A. R. Design of Prestressed Concrete Girder Bridges Using Optimization Techniques. Information Technology Journal 2002,1,193-201.
Hernandez, S.;Fontan, A. N.;Diaz, J.;Marcos, D. VTOP. An Improved Software for Design Optimization of Prestressed Concrete Beams. Advances in Engineering Software 2010,41,415-421.
Ahsan, R.;Rana, S.;Ghani, S. N. Cost Optimum Design of Posttensioned I-Girder Bridge Using Global Optimization Algorithm. Journal of Structural Engineering 2012,138.
Yepes, V.;Marti, J. V.;Garcia-Segura, T. Cost and CO2 Emission Optimization of Precast-Prestressed Concrete U-Beam Road Bridges By a Hybrid Glowworm Swarm Algorithm. Automation in Construction 2015,49,123-134.
Shi, X.;Li, G.;Li, J. Modern Bridge Engineering;China Communications Press: Beijing,2021.
Lv, Z.;Pan, Z. Lssues in Design of Long-Span Prestressed Concrete Box Girder Bridges. China Civil Engineering Journal 2010,43,70-76,doi:10.15951/j.tmgcxb.2010.01.003.
Zhang, W.;Long, P.;Wang, L. Analysis of Different Tendon Layout Types for PC Continuous Box Girder. Journal of Highway and Transportation Research and Development 2009,26,80-84.
Zhu, P. Study On The Reasonable Placement of Prestressing Steel Bars in Continuous Rigid Structure Bridge. Changsha University Of Science & Technology, Changsha,2007.
Liu, S. Exploration of Prestressing Blind Zones in Bridge Structures and Related Beam Deployment Rules. Journal of China & Foreign Highway 2004,30-34.
Xu, D.;Zhao, Y.;Liu, C. Practical Precise Modelling and Reinforcement Design for Concrete Bridge Structures;China Communications Press: Beijing,2013.
Dong, X.;Yongxue, J.;Huifen, L. Direct Shear: An Often Overlooked Cause of Disease. Bridge 2022.
Xu, D.;Yuan, H.;Zhao, J. Interpreting The New Specification-Building a Refined Bridge Path. Bridge 2018.
Ministry of Transport of the People's Republic of China. JTG 3362—2018 Specifications for Design of Highway Reinforced Concrete and Prestressed Concrete Bridges and Culverts. China Communications Press: Beijing,2018.
Wang, X.;Cao, L. Theory, Application and Software Implementation of Genetic Algorithms;Xi'an Jiaotong University Press: Xi'an,2002.